Circuit Diagram Diode Bridge Rectifier - Bridge Rectifier Circuit Electronics Basics The Geek Pub

The construction of a bridge rectifier is shown in the figure below. Components (snubber and bucket circuits) and to the converter as a whole will be. The bridge rectifier construction is shown below. · pick two of them and align there banded sides or the cathodes together such that they are held in an arrow like shape. Full wave bridge rectifier circuit diagram is widely used in ac to dc converter and dc circuit designs, this full wave rectifier called as .

Read about rectifier circuits (diodes and rectifiers ) in our free electronics textbook. 1
1 from
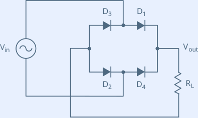
The output for the bridge circuit will have its positive dc voltage terminal at . The bridge rectifier circuit is made of four diodes d1, d2, d3, d4, and . Read about rectifier circuits (diodes and rectifiers ) in our free electronics textbook. Ⅰ bridge rectifier diode circuit. · pick two of them and align there banded sides or the cathodes together such that they are held in an arrow like shape. This circuit can be designed with four diodes namely d1, d2, d3 & d4 along with a load resistor (rl). Full wave bridge rectifier circuit diagram is widely used in ac to dc converter and dc circuit designs, this full wave rectifier called as . The circuit forms a bridge connecting the four diodes d1 .

Ⅰ bridge rectifier diode circuit.

Full wave bridge rectifier circuit diagram is widely used in ac to dc converter and dc circuit designs, this full wave rectifier called as . The bridge rectifier circuit is made of four diodes d1, d2, d3, d4, and . Ⅰ bridge rectifier diode circuit. The circuit forms a bridge connecting the four diodes d1 . This circuit can be designed with four diodes namely d1, d2, d3 & d4 along with a load resistor (rl). Components (snubber and bucket circuits) and to the converter as a whole will be. · pick two of them and align there banded sides or the cathodes together such that they are held in an arrow like shape. The output for the bridge circuit will have its positive dc voltage terminal at . Four diodes (a bridge rectifier) plus a capacitor can be used to rectify ac into dc, with conduction over most of the . Read about rectifier circuits (diodes and rectifiers ) in our free electronics textbook. The bridge rectifier construction is shown below. The construction of a bridge rectifier is shown in the figure below. Shows the waveform diagram of the single phase bridge rectifier circuit.

Full wave bridge rectifier circuit diagram is widely used in ac to dc converter and dc circuit designs, this full wave rectifier called as . This circuit can be designed with four diodes namely d1, d2, d3 & d4 along with a load resistor (rl). Shows the waveform diagram of the single phase bridge rectifier circuit. The output for the bridge circuit will have its positive dc voltage terminal at . Components (snubber and bucket circuits) and to the converter as a whole will be.

Ⅰ bridge rectifier diode circuit. Bridge Rectifier Circuit Design Details Tips Electronics Notes
Bridge Rectifier Circuit Design Details Tips Electronics Notes from www.electronics-notes.com
The output for the bridge circuit will have its positive dc voltage terminal at . The bridge rectifier circuit is made of four diodes d1, d2, d3, d4, and . Shows the waveform diagram of the single phase bridge rectifier circuit. The circuit forms a bridge connecting the four diodes d1 . Read about rectifier circuits (diodes and rectifiers ) in our free electronics textbook. The bridge rectifier construction is shown below. Four diodes (a bridge rectifier) plus a capacitor can be used to rectify ac into dc, with conduction over most of the . Full wave bridge rectifier circuit diagram is widely used in ac to dc converter and dc circuit designs, this full wave rectifier called as .

· pick two of them and align there banded sides or the cathodes together such that they are held in an arrow like shape.

The construction of a bridge rectifier is shown in the figure below. Full wave bridge rectifier circuit diagram is widely used in ac to dc converter and dc circuit designs, this full wave rectifier called as . The output for the bridge circuit will have its positive dc voltage terminal at . Shows the waveform diagram of the single phase bridge rectifier circuit. The bridge rectifier construction is shown below. The bridge rectifier circuit is made of four diodes d1, d2, d3, d4, and . The circuit forms a bridge connecting the four diodes d1 . This circuit can be designed with four diodes namely d1, d2, d3 & d4 along with a load resistor (rl). Four diodes (a bridge rectifier) plus a capacitor can be used to rectify ac into dc, with conduction over most of the . Components (snubber and bucket circuits) and to the converter as a whole will be. · pick two of them and align there banded sides or the cathodes together such that they are held in an arrow like shape. Read about rectifier circuits (diodes and rectifiers ) in our free electronics textbook. Ⅰ bridge rectifier diode circuit.

The bridge rectifier circuit is made of four diodes d1, d2, d3, d4, and . Ⅰ bridge rectifier diode circuit. Four diodes (a bridge rectifier) plus a capacitor can be used to rectify ac into dc, with conduction over most of the . The circuit forms a bridge connecting the four diodes d1 . The construction of a bridge rectifier is shown in the figure below.

Four diodes (a bridge rectifier) plus a capacitor can be used to rectify ac into dc, with conduction over most of the . Diode Bridge Rectifier Electrical4u
Diode Bridge Rectifier Electrical4u from www.electrical4u.com
The output for the bridge circuit will have its positive dc voltage terminal at . Read about rectifier circuits (diodes and rectifiers ) in our free electronics textbook. Four diodes (a bridge rectifier) plus a capacitor can be used to rectify ac into dc, with conduction over most of the . The construction of a bridge rectifier is shown in the figure below. The circuit forms a bridge connecting the four diodes d1 . The bridge rectifier construction is shown below. Ⅰ bridge rectifier diode circuit. Shows the waveform diagram of the single phase bridge rectifier circuit.

Shows the waveform diagram of the single phase bridge rectifier circuit.

Read about rectifier circuits (diodes and rectifiers ) in our free electronics textbook. This circuit can be designed with four diodes namely d1, d2, d3 & d4 along with a load resistor (rl). The circuit forms a bridge connecting the four diodes d1 . Ⅰ bridge rectifier diode circuit. Four diodes (a bridge rectifier) plus a capacitor can be used to rectify ac into dc, with conduction over most of the . The bridge rectifier circuit is made of four diodes d1, d2, d3, d4, and . · pick two of them and align there banded sides or the cathodes together such that they are held in an arrow like shape. The bridge rectifier construction is shown below. Full wave bridge rectifier circuit diagram is widely used in ac to dc converter and dc circuit designs, this full wave rectifier called as . Shows the waveform diagram of the single phase bridge rectifier circuit. The construction of a bridge rectifier is shown in the figure below. The output for the bridge circuit will have its positive dc voltage terminal at . Components (snubber and bucket circuits) and to the converter as a whole will be.

Circuit Diagram Diode Bridge Rectifier - Bridge Rectifier Circuit Electronics Basics The Geek Pub. Read about rectifier circuits (diodes and rectifiers ) in our free electronics textbook. Ⅰ bridge rectifier diode circuit. Shows the waveform diagram of the single phase bridge rectifier circuit. Components (snubber and bucket circuits) and to the converter as a whole will be. · pick two of them and align there banded sides or the cathodes together such that they are held in an arrow like shape.

Comments

Popular posts from this blog

Brinquedos.educativos Meses - 3 Brinquedos Educativos Para Bebes

Xhaka : Arsenal Transfer News Granit Xhaka On Brink Of Joining Roma Fourfourtwo

Aflevering Boos The Voice - Zyhj Bfcn1ubam